|
『D671F46、D671F4、D671PO气动对夹式衬氟蝶阀』专业生产厂家,由本厂自主研发生产的【气动衬氟蝶阀】质量可靠、价格合理、售后服务完善。『D671F46气动对夹式衬氟蝶阀』适用于各种轻重工业及楼宇管道。!【气动蝶阀】广泛应用于:化工、石化、石油、造纸、采矿、电力、液化气、食品、制药、给排水、市政、机械设备配套、电子工业,城建等领域。
|
|
产品名称
|
气动对夹式衬氟蝶阀
|
|
产品型号
|
D671F46、D671F4、D671PO
|
|
公称通径
|
DN40-1200
|
|
压力范围
|
1.0-2.5MPa
|
|
阀体材质
|
铸铁、铸钢、不锈钢
|
产品概述:
D671F46、D671F4、D671PO气动对夹式防腐蚀衬氟蝶阀采用对分两片阀体组合,阀座与阀体内衬一体化,阀门工作时,只有全塑阀座与衬塑蝶板与介质接触,产品可承受“除熔融碱金属和元素氟”外的任何介质腐蚀,其中D71F46、D71F4、D71PO阀杆与蝶板(锻)为一体,表面均匀包覆一层FEP。阀体通道内表面光滑,流体阻力小,CV值高,流通能力强,扭矩适中,采用四级密封结构并在密封面外配以耐温抗老化的SI橡胶的弹性衬垫阀座,完全达到介质的零泄漏。
基本型号说明:
|
手
动
|
D71F/P 半衬
|
蜗
轮
传
动
|
D371F/P 半衬
|
|
D71F3 全衬里
|
D371F3 全衬里
|
|
D71F4 全衬里
|
D371F4 全衬里
|
|
D71F46 全衬里
|
D371F46 全衬里
|
|
气
动
|
D671F/P 半衬
|
电
动
|
D971F/P 半衬
|
|
D671F3 全衬里
|
D971F3 全衬里
|
|
D671F4 全衬里
|
D971F4 全衬里
|
|
D671F46 全衬里
|
D971F46 全衬里
|
技术规范:
|
设计标准
|
GB12238
|
|
结构长度
|
GB12221
|
|
法兰标准
|
JB/T79-94
|
|
GB9113.1-26
|
|
检验试验
|
GB/T13927
|
|
驱动方式
|
蜗轮、手动、电动、气动
|
主要零部件材料表:
|
零件名称
|
材料
|
|
上下阀体
|
铸铁、铸钢、不锈钢、衬F46、F3、F4、PO
|
|
阀座
|
铸钢
|
|
带杆蝶板
|
铸钢、不锈钢、衬F46、F3、F4、PO
|
|
填料
|
F4
|
|
衬垫
|
硅橡胶
|
|
蜗轮手柄
|
球墨铸铁
|
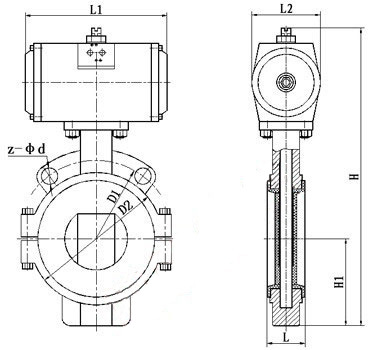
连接尺寸及重量:
|
公称通径
|
PN1.0(MPa)主要外形尺寸和连接尺寸(mm)
|
PN1.6(MPa)
|
重量
|
|
DN
|
L
|
D
|
D1
|
D2
|
f
|
Z-φd
|
H2
|
H1
|
D
|
D1
|
Z-φd
|
kg
|
|
40
|
33
|
145
|
110
|
85
|
3
|
4-φ18
|
270
|
80
|
145
|
110
|
4-φ18
|
4
|
|
50
|
43
|
160
|
125
|
100
|
3
|
4-φ18
|
280
|
85
|
160
|
125
|
4-φ18
|
5
|
|
65
|
46
|
180
|
145
|
120
|
3
|
4-φ18
|
290
|
93
|
180
|
145
|
4-φ18
|
7
|
|
80
|
46
|
195
|
160
|
140
|
3
|
4-φ18
|
310
|
100
|
195
|
160
|
8-φ18
|
9
|
|
100
|
52
|
215
|
180
|
155
|
3
|
8-φ18
|
340
|
110
|
215
|
180
|
8-φ18
|
13
|
|
125
|
56
|
245
|
210
|
185
|
3
|
8-φ18
|
355
|
120
|
245
|
210
|
8-φ18
|
15
|
|
150
|
56
|
280
|
240
|
210
|
3.5
|
8-φ23
|
380
|
160
|
280
|
240
|
8-φ23
|
24
|
|
200
|
60
|
335
|
295
|
265
|
3.5
|
8-φ23
|
430
|
245
|
335
|
295
|
12-φ23
|
38
|
|
250
|
68
|
390
|
350
|
320
|
4
|
12-φ23
|
450
|
260
|
405
|
355
|
12-φ26
|
60
|
|
300
|
78
|
440
|
400
|
370
|
4
|
12-φ23
|
480
|
300
|
460
|
410
|
12-φ26
|
70
|
|
350
|
78
|
500
|
460
|
420
|
4
|
16-φ23
|
600
|
320
|
520
|
470
|
16-φ26
|
80
|
|
400
|
102
|
565
|
515
|
475
|
4.5
|
16-φ25
|
630
|
330
|
580
|
525
|
16-φ30
|
120
|
|
450
|
114
|
615
|
565
|
525
|
4.5
|
20-φ25
|
655
|
380
|
640
|
585
|
20-φ30
|
165
|
|
500
|
127
|
670
|
620
|
580
|
5
|
20-φ25
|
680
|
390
|
715
|
650
|
20-φ33
|
205
|
|
600
|
154
|
780
|
725
|
690
|
5
|
20-φ30
|
730
|
450
|
840
|
770
|
20-φ36
|
250
|
|
700
|
165
|
895
|
840
|
800
|
5
|
24-φ30
|
790
|
480
|
910
|
840
|
24-φ36
|
320
|
|
800
|
190
|
1010
|
950
|
905
|
5
|
24-φ34
|
880
|
580
|
1020
|
950
|
24-φ39
|
395
|
|
900
|
203
|
1110
|
1050
|
1005
|
5
|
28-φ34
|
930
|
625
|
1120
|
1050
|
28-φ39
|
450
|
|
1000
|
216
|
1220
|
1160
|
1115
|
6
|
28-φ34
|
1000
|
660
|
1255
|
1170
|
28-φ42
|
600
|
|
1200
|
254
|
1450
|
1380
|
1325
|
6
|
32-φ41
|
1300
|
780
|
1485
|
1390
|
32-φ48
|
825
|
